Cale basculante en nylon pour charges lourdes en plaque de plâtre mod. Duotec 10
Marque: Fischer
Référence: FP139455
Description
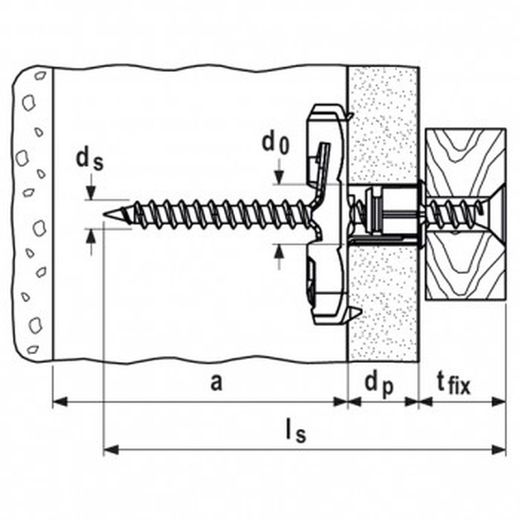
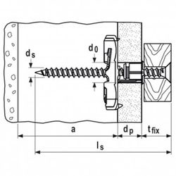
Bloc basculant en nylon facile à installer pour charges lourdes sur plaques de plâtre. Fonctionnement : - L'ancrage fischer DUOTEC convient pour une installation prépositionnée. -Installation facile à l'aide d'une perceuse standard de 10 mm. -L'élément d'inclinaison de la queue s'adapte automatiquement derrière la planche et la renforce. -Lors du perçage dans des matériaux solides tels que le bois et le béton, fischer DUOTEC fonctionne comme une cheville à expansion. -Grâce à l'élément de commutation court, la fiche convient également aux cavités étroites, y compris les cavités avec isolation en laine minérale d'une profondeur de 50 mm, non isolées de 40 mm et dans des panneaux d'une épaisseur de 9,5 mm. -Le support fileté flexible en acier inoxydable accepte les vis à bois, les vis à aggloméré ou les crochets métriques avec contre-écrous. Applications : armoires suspendues de cuisine, armoires de salon, étagères, armoires, rampes, tableaux, miroirs, lampes, etc. Convient pour : plaques de plâtre, plaques de plâtre renforcées de fibres, panneaux de bois (tels que le bois précontraint, les panneaux de fibres et le contreplaqué), tôles d'acier, panneaux en plastique et blocs de béton creux. Fonctionne également sur : Les matériaux solides tels que le béton et le bois.
Caractéristiques
- Formato:
- Unidad















