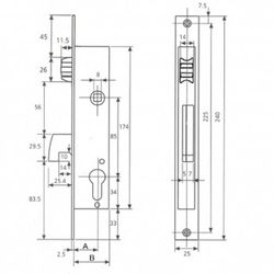
Serrure à mortaiser sans cylindre Tesa 4246
Marque: Tesa - Assa Abloy
Description
Serrure à mortaiser en menuiserie métallique. Rouleau pour portes battantes et crochet basculant avec plaques en acier trempé et mécanisme anti-pied-de-biche renforcé.
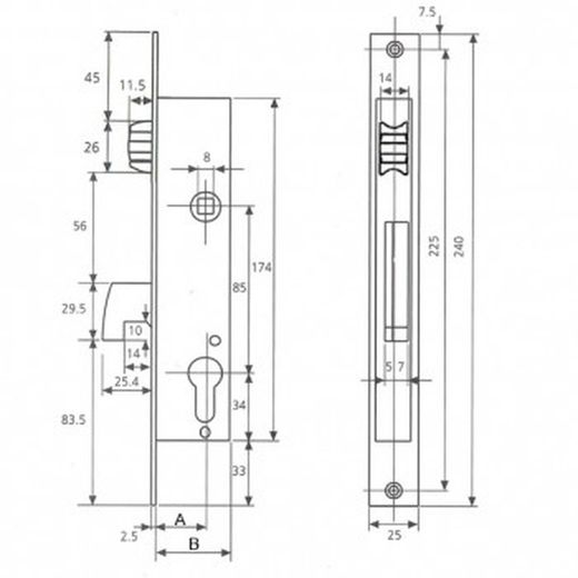
Marque: Tesa - Assa Abloy
Serrure à mortaiser en menuiserie métallique. Rouleau pour portes battantes et crochet basculant avec plaques en acier trempé et mécanisme anti-pied-de-biche renforcé.